
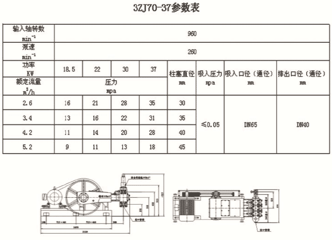
3ZJ系列注聚合物泵是本公司根據油田注聚合物的特定需要,引進美國技術.結合本公司自主技術設計開發的產品。本系列泵設計先進、制造精良,具有體積小、重量輕、性能好、效率高、質量可靠、造型美觀、操作維修方便、移動輕便靈活等優點。本系列產品的進、排液閥為我公司自有專利技術。本系列產品的輸送介質為聚合物(即聚丙烯酰胺溶液)、三元液(即聚合物、堿、表面活性劑)、清水、乳化液、污水、化工液體等,被輸送的介質溫度不宜超過80℃。泵流量調節的主要方式是通過配小帶輪和柱塞,調整泵的參數,來達到調節流量的目的。另外,也可根據用戶的需求配備調速電機和變頻器。
